DHPCA-100 是一款可调跨阻放大器,适用于测量兆赫兹(MHz)范围内的小电流,是一款多功能放大器,具有宽动态范围。
一、特点
跨阻增益范围为 10² 至 10⁸ V/A
带宽高达 200 MHz
上升时间低至 1.8 ns
内置信号滤波器
可调偏置电压
支持手动和远程控制
二、规格参数
| 型号 | DHPCA-100 | |||||||||||
| 性能范围 | 低噪声 | 高速 | ||||||||||
| 跨阻 [V/A] | 10² | 10³ | 10⁴ | 10⁵ | 10⁶ | 10⁷ | 10³ | 10⁴ | 10⁵ | 10⁶ | 10⁷ | 10⁸ |
| -3 dB 带宽 [MHz] | 200 | 80 | 14 | 3.5 | 1.8 | 0.22 | 175 | 80 | 14 | 3.5 | 1.8 | 0.22 |
| 上升时间(10%-90%) | 1.8 ns | 4.4 ns | 25 ns | 0.1 µs | 0.2 µs | 1.6 µs | 2.0 ns | 4.4 ns | 25 ns | 0.1 µs | 0.2 µs | 1.6 µs |
| 等效输入噪声 [/√Hz] | 180 pA | 11 pA | 1.8 pA | 480 fA | 140 fA | 45 fA | 155 pA | 5.8 pA | 1.5 pA | 440 fA | 140 fA | 45 fA |
| 精度性能 | 增益误差 ±1% | |||||||||||
| 低通滤波器 | 可切换至 1 MHz、10 MHz 或全带宽 | |||||||||||
| 输出 | 50 Ω 负载下 ±1 V | |||||||||||
| 偏置电压 | ±10 V,最大 22 mA,连接至 BNC 屏蔽层,可切换至接地(GND) | |||||||||||
| 电源要求 | ±15 V,典型值 + 110 mA/-90 mA,建议值 ±200 mA | |||||||||||
| 控制接口 | 光隔离数字输入,兼容 TTL/CMOS,模拟偏移控制电压输入 | |||||||||||
| 尺寸 | 170×60×45 mm(长 × 宽 × 高),重量 320 g | |||||||||||
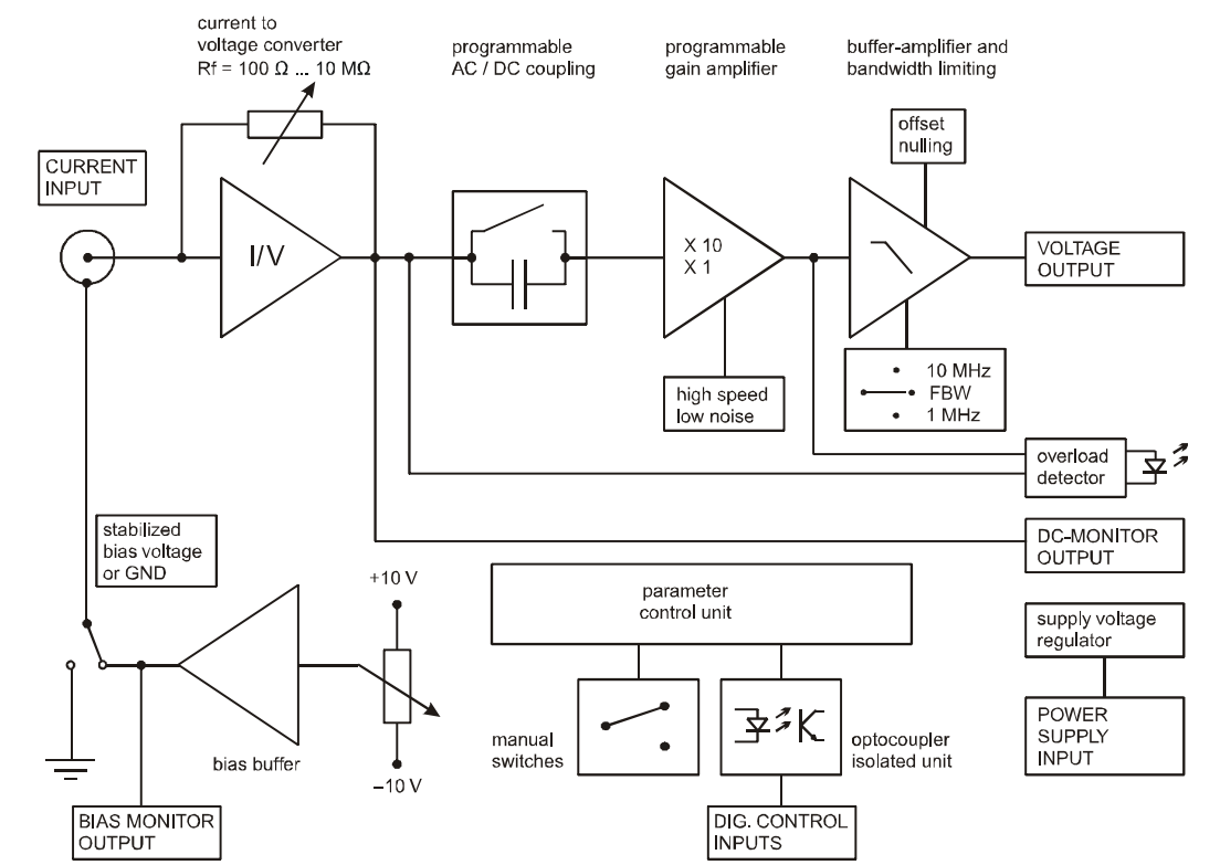
偏移可通过电位器或外部控制电压调节。配备 LED 过载指示功能。输入可承受 ±3 kV 瞬态电压保护。输出具备短路保护。通过 3 针 Lemo® 接口供电,设备随附配套连接器。可选电源 PS-15。如需更多信息,请查看数据手册或联系我们。
三、数据手册
四、电路图

五、应用
用于电流测量的电流 - 电压转换器
光电探测器放大器
快速电离检测
光谱学
示波器、模数(A/D)转换器和射频(RF)锁相放大器的前置放大器
插头和接口
FEMTO 放大器和光接收器根据型号不同,标准配置为 BNC 或 SMA 接口。我们可根据你的要求配备其他类型插头和接口。除 BNC、SMA 和 N 型接口外,其他类型接口可按需提供。只需在报价咨询中注明需求,或联系我们的支持团队。
定制产品
若现有产品均无法满足你的需求,我们可提供客户定制版产品。例如调整带宽、增益,或针对特殊信号源进行优化。也可提供原始设备制造商(OEM)版本,适用于大型项目和产品集成。我们的技术支持团队期待你的咨询。你也可在相关产品中寻找合适的型号。
极致高速跨阻放大器
DHPCA-100 可变增益跨阻放大器是各类应用的理想选择,尤其适用于需要将小电流转换为可用电压,且带宽要求高达 200 MHz 的场景。它非常适合高达 200 MHz 的直流(DC)和交流(AC)测量、低至纳秒(ns)级的时间分辨测量,以及作为快速光电探测器信号的前置放大器。
DHPCA-100 具备众多特性,包括 10² 至 10⁸ V/A 的可变增益、可切换交直流(AC/DC)耦合、用于基线校正的可调偏移、适用于快速光电二极管的可调偏置电压、可切换的 10 MHz 和 1 MHz 低通滤波器,以及手动和远程双重控制功能。其坚固紧凑的电磁干扰(EMI)屏蔽外壳设计,使其成为适用于多种应用场景的通用高速放大器。
带宽和频率响应
DHPCA-100 实现了增益和带宽的优化组合。在 10³ V/A 的增益设置下,它可提供 200 MHz 的超高 3 dB 带宽;即使在 10⁸ V/A 的最高增益设置下,上限截止频率仍可达出色的 220 kHz。对于无需全带宽的应用,该设备配备可切换的 10 MHz 和 1 MHz 低通滤波器,以最大限度降低宽带噪声。




