LIA-MVD-200-L是一款多通道台式微型数字锁相放大器,解决了锁相放大器在对成本敏感的应用领域的应用范围,设计用于实验室使用。
一、主要特点
输入和输出信号采用 BNC 接口
坚固铝制外壳
带 X、Y 及幅值输出的双相检测
工作频率 5 Hz ... 10 kHz,数字移相器 0 ... 360°
通过本地开关及光隔离数字输入进行参数控制
可选配参考振荡器模块
二、技术规格
| LIA-MVD-200-L | |
|---|---|
| 电压输入 | |
| 电压输入特性 | 真差分仪表放大器 |
| 电压输入范围 | 3 µV ... 1 V,按1-3-10步进(满量程输出) |
| 电压输入耦合 | AC |
| 电压输入阻抗 | 1 MΩ // 4 pF |
| 电压输入噪声 | 12 nV/√Hz |
| 电压输入共模抑制比 | 110 dB @ 1 kHz, 100 dB @ 10 kHz |
| 电压输入增益漂移 | 100 ppm/K |
| 电流输入 | |
| 电流输入特性 | 互阻放大器,–100 kV/A(反相) |
| 电流输入范围 | 30 pA ... 10 µA,按1-3-10步进(满量程输出) |
| 电流输入噪声 | 0.4 pA/√Hz |
| 电流输入源电容 | 10 pF – 500 pF(推荐) |
| 电流输入增益误差与源电容关系 | Cs:10pF 100pF 500pF f < 10 kHz:<1% <1% <2% |
| 信号滤波器(不含可选带通模块) | |
| 信号滤波器低通(–3 dB 带宽) | 1 MHz, 100 kHz, 10 kHz, 1 kHz, 100 Hz;6 dB/oct. 跳线可选 |
| 信号滤波器高通(–3 dB 带宽) | 0.2 Hz, 1 Hz, 10 Hz, 100 Hz, 1 kHz; 6 dB/oct. 跳线可选 |
| 信号滤波器截止精度 | ±20% |
| 最大动态储备 | 80 dB |
| 信号监测输出 | |
| 信号监测输出增益 | 1 ... 3333(取决于增益设置) |
| 信号监测输出电压 | ±8 V max. |
| 信号监测输出阻抗 | 100 Ω |
| 信号监测输出电流 | ±10 mA max. |
| 注意 | 在低输入量程下使用电流输入时 可断开电路板上的焊接跳线(JP1 附近)以禁用监测输出 防止再耦合。 |
| 解调器 | |
| 解调器动态储备 | 15 dB @ 超稳定 35 dB @ 低漂移 55 dB @ 高动态 |
| 参考输入 | |
| 参考输入电压范围 | ±100 mV ... ±5 V @ 双极性模式 –5 V / +10 V @ TTL 模式 |
| 参考输入阻抗 | 1 MΩ |
| 参考捕获时间 | max. 2 s @ 快速设置 max. 4 s @ 慢速设置 |
| 移相器 | |
| 移相器类型 | 数字式,工作频率 50 Hz ... 10 kHz |
| 移相器范围 | 0 ... +360 ° |
| 移相器分辨率 | 1.4 ° |
| 移相器漂移 | <100 ppm/K |
| 移相器精度 | <0.3 ° |
| 移相器正交性 | <0.1° |
| 时间常数 | |
| 时间常数范围 | 3 ms ... 10 s in 1-3-10 steps |
| 时间常数滤波器特性 | 6 dB/oct. 或 12 dB/oct. 可切换 |
| 输出 | |
| 输出通道 | X = in phase, Y = quadrature, R = magnitude |
| 输出电压范围 | ±10 V(@ 2 kΩ 负载) |
| 输出电流 | ±5 mA max. |
| 输出阻抗 | 50 Ω |
| 输出直流稳定性 | 5 ppm/K @ 超稳定 50 ppm/K @ 低漂移 500 ppm/K @ 高动态 |
| 输出基本精度 | 2%(X 和 Y 输出)@正弦输入信号 4%(R 输出)@正弦输入信号 |
| 输出电压偏移范围 | ±100% 满量程,由 ±10 V 控制电压设定 |
| 输出负载阻抗 | >2 kΩ |
| LED状态指示灯 | |
| 功能 | 放大器过载状态参考 PLL 解锁状态 |
| 数字控制 | |
| 控制输入电压 | 低电平:–0.8 V … +0.8 V 高电平:+1.8 V … +12 V |
| 控制输入电流 | 0 mA @ 0V, 1.5 mA @ +5 V, 4.5 mA @ +12V typ. |
| 数字状态输出电压 | Active: +4.5 V typ. Non Active: 0 V typ. |
| 数字状态输出电流 | 10 mA max. |
| 其它参数 | |
| 电源供电 | ±15 Vdc ... ±18 Vdc |
| 供电电流 | –60 mA, +120 mA |
| 材质 | 阳极氧化铝 |
| 外形尺寸 | 64.4 x 105.0 x 223.0 mm(不含 BNC 连接器) |
| 重量 | 1000 g |
| 存储温度 | –40 ... +100 °C |
| 工作温度 | 0 ... +60 °C |
可选参考振荡器 SOM-1 可通过模块内部的扩展连接器连接。电源通过 3 针 Lemo® 插座供电。设备随附配套连接器。可选配 PS-15 电源。更多信息请查阅产品手册 或联系我们。
三、使用说明书
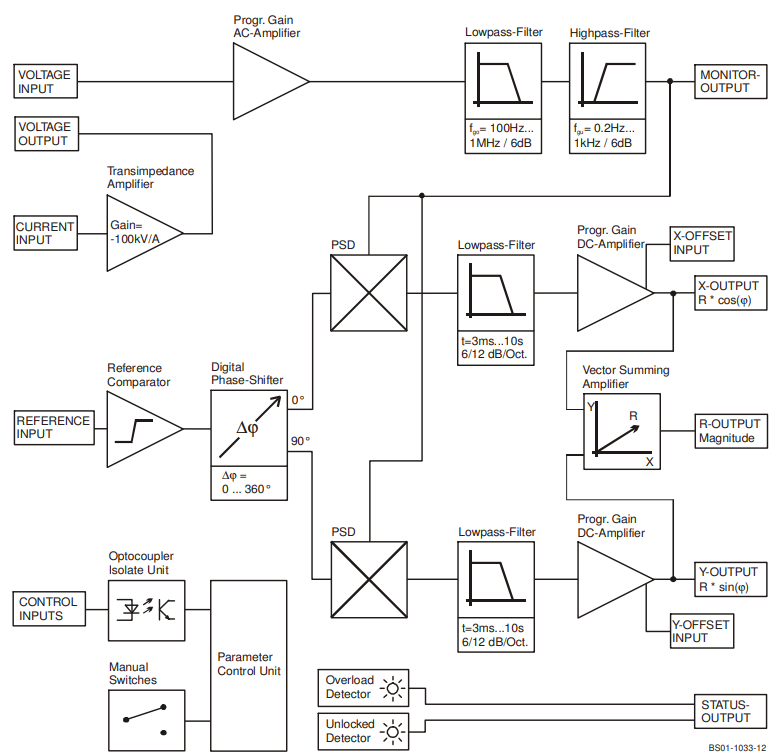
四、电路图

五、应用
光谱学
发光、荧光、磷光测量
光散射测量
光电子质量检测
六、台式锁相放大器系列
| Model | LIA-MVD-200-H Dual Phase | LIA-MV-200-L Single phase | LIA-MV-200-H Single phase |
| Working Frequency | 50 Hz ... 120 kHz | 5 Hz ... 10 kHz | 50 Hz ... 120 kHz |
| Time Constants | 300 µs - 1 s 6 or 12 dB/oct. | 3 ms - 10 s 6 or 12 dB/oct. | 300 µs - 1 s 6 or 12 dB/oct. |
| Adjustable Signal Filter [6 dB/Okt.] | Highpass 2 Hz – 10 kHz Lowpass 100 Hz – 1 MHz | Highpass 0.2 Hz – 1 kHz Lowpass 100 Hz – 1 MHz | Highpass 2 Hz – 10 kHz Lowpass 100 Hz – 1 MHz |
| Outputs (BNC) | X = In Phase, Y = Quadrature, R = Magnitude, ±10 V full scale short circuit proof, signal monitor output | X = In Phase, ±10 V full scale short circuit proof, signal monitor output | |
| Sensitivity (Full Scale) | Voltage: 3 µV – 1 V in 1-3-10 steps Current: 30 pA – 10 µA in 1-3-10 steps | ||
| Voltage Input (BNC) | Instrumentation amplifier, noise 12 nV/√Hz | ||
| Current Input (BNC) | Transimpedance amplifier, gain: 100 kV/A, noise: 0,4 pA/√Hz | ||
| Reference Input (BNC) | ±100 mV to ±5 V, switchable to TTL | ||
| Phase | Adjustable 0° - 360°; resolution: 8-bit @ f ≤ 60 kHz, 7-bit @ f > 60 kHz, temperature drift <0,01°/K | ||
| Max. Dyn. reserve | 80 dB | ||
| Control Interface | 16 Opto coupler protected digital inputs, TTL/CMOS compatible 8 bit phase, 4 bit time constant, 4 bit sensitivity | ||
| Power Requirements | ±15 V, +120 mA / -60 mA | ||
| Dimensions | 223 x 105 x 65 mm (L x W x H), weight 1,000 g (2.2 lbs) | ||



