LIA-MV-150-S是一款单端输入模拟式紧凑型锁相放大器模块,适用于实验室使用,也可集成在信号源附近。
一、主要特点
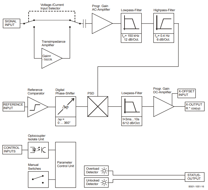
工作频率 10 Hz … 45 kHz
数字移相器 0 … 360°
电流与电压输入
可通过本地开关及光隔离数字输入进行参数控制
紧凑型电磁屏蔽外壳
二、规格参数
| LIA-MV-150-S | |
|---|---|
| 电压输入 | |
| 电压输入特性 | 单端仪表放大器 |
| 电压输入范围 | 3 µV ... 100 mV,1-3-10 步进(满量程输出) |
| 电压输入耦合方式 | AC,0.015 Hz |
| 电压输入阻抗 | 1 MΩ // 4 pF |
| 电压输入噪声 | 12 nV/√Hz |
| 电压输入增益温漂 | 100 ppm/K |
| 电流输入 | |
| 电流输入特性 | 互阻放大器,-1 kV/A(反相) |
| 电流输入范围 | 3 nA ... 100 µA,1-3-10 步进(满量程输出) |
| 电流输入噪声 | 13 pA/√Hz |
| 电流输入源电容 | 10 pF – 1 nF(推荐) |
| 电流输入增益误差与源电容关系 | Cs:10pF 100pF 1nF f < 20 kHz : <1% <1% <2% |
| 信号滤波器 | |
| 信号滤波器低通(-3 dB 带宽) | 150 kHz;12 dB/Oct. |
| 信号滤波器高通(-3 dB 带宽) | 0.4 Hz;6 dB/Oct |
| 滤波器截止精度 | ± 20 % |
| 解调器 | |
| 解调器动态储备 | 低漂移模式:35 dB 高动态模式:55 dB |
| 参考输入 | |
| 参考输入电压范围 | 双极性模式:± 100 mV ... ± 5 V TTL 模式:-5 V / +10 V |
| 参考输入阻抗 | 1 MΩ |
| 参考信号捕获时间 | 快速模式:最大 2 s 慢速模式:最大 4 s |
| 移相器 | |
| 移相器类型 | 数字式,工作频率 10 Hz ... 45 kHz |
| 移相范围 | 0 ... + 360 ° |
| 移相分辨率 | 1.4 ° |
| 移相器温漂 | < 100 ppm/K |
| 移相精度 | < 0.3 ° |
| 时间常数 | |
| 时间常数范围 | 3 ms ... 10 s,1-3-10 步进 |
| 时间常数滤波器特性 | 6 dB/Oct. 或 12 dB/Oct. 可切换 |
| 输出 | |
| 输出通道 | X = 同相分量 |
| 输出电压范围 | ± 10 V(负载 2 kΩ) |
| 输出电流 | 最大 ± 5 mA |
| 输出阻抗 | 50 Ω |
| 输出直流稳定性 | 低漂移模式:50 ppm/K 高动态模式:500 ppm/K |
| 输出基本精度 | 2 %;频率>30 kHz 时,正弦输入信号为 5% |
| 输出电压失调范围 | 低漂移模式:通过 ± 10 V 控制实现 ± 100 % 满量程 高动态模式:通过 ± 1 V 控制实现 ± 100 % 满量程 |
| 输出电压失调控制电压阻抗 | 22 kΩ |
| 状态指示 LED | |
| 功能 | 放大器过载状态 参考锁相环失锁状态 |
| 数字控制 | |
| 控制输入电压范围 | 低电平:-0.8 V ... +0.8 V 高电平:+1.8 V ... +12 V,兼容 TTL / CMOS |
| 控制输入电流 | 0 V 时 0 mA,+5 V 时 1.5 mA,+12 V 时 4.5 mA typ. |
| 数字状态输出电压 | 有效: + 4.5 V typ. 无效: 0 V typ. |
| 数字状态输出电流 | 最大 10 mA |
| 其它规格 | |
| 供电电压 | ± 15 Vdc ... ± 20 Vdc |
| 供电电流 | - 60 mA,+ 100 mA |
| 外壳重量 | 370 g |
| 材质 | AlMg4.5Mn,镀镍 |
| 存储温度 | -40 ... +100 °C |
| 工作温度 | 0 ... +60 °C |
采用 3 针 Lemo® 插座供电,设备随附配套连接器,可选配 PS‑15 电源。更多信息请查阅数据手册 或联系我们。
三、使用说明书
四、电路图

五、应用
光谱学
发光、荧光、磷光测量
光散射测量
光电质量检测
集成于工业及科学测量系统
六、锁相放大器模块
| Model | LIA-MV-150-S Single-ended | LIA-MV-150-D Symmetric / Differential |
| Voltage Input | BNC socket, single-ended, noise 12 nV/√Hz | Lemo®socket, differential, noise 12 nV/√Hz |
| Current Input | BNC socket, gain 1 kV/A, noise 13 pA/√Hz | Lemo®socket, gain 1kV/A, noise 13 pA/√Hz |
| Input Sensitivity (Full Scale) | voltage: 3 µV bis 100 mV, current: 3 nA bis 100 µA, switchable in steps of 1-3-10 | |
| Working Frequency | 10 Hz - 45 kHz | |
| Reference Input | ±100 mV to ±5 V, switchable to TTL | |
| Phase | adjustable 0° – 360° (8-bit resolution), temperature drift <0,01°/K | |
| Demodulator Dynamic Reserve | 35 dB @ low drift setting, 55 dB @ high dynamic setting | |
| Time Constants | 3 ms to 10 s, switchable in 1-3-10 steps, slope switchable 6 dB or 12 dB/octave | |
| Output | X = in phase, ±10 V full scale, short-circuit protected | |
| Control Interface | 16 Opto coupler protected digital inputs, TTL/CMOS compatible 8 bit phase, 4 bit time constant, 4 bit sensitivity | |
| Power Requirements | ±15 V, 100 mA typ. | |
| Case | 170 x 60 x 30 mm (L x W x H), weight 370 g | |



